Хоризонтална опора за ос SHF 10 - EXHSHF10

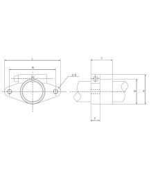
Модел – SHF 10

Диаметър  – 10 мм 

L – 43

T – 10

F – 5

B – 32

G – 20

H – 24

S – 5.5

Затягащ болт – М5

Монтажен болт  М4

Тегло – 0.013 кг

3,48 лв. бр. / 1,78 €
С вкл. данък

Хоризонтална опора тип SHF е машинен компонент, който се използва за фиксиране и поддържане на ротационни или линейни валове в различни механични системи. Тази опора обикновено се монтира на плоска повърхност, като осигурява стабилност и прецизност в движението на вала.

Основни характеристики:

  1. Материал: алуминий с висока издръжливост и устойчивост на корозия.

  2. Дизайн: U-образна форма, която обхваща вала и го държи на място.

  3. Монтаж: Предлага се с отвори за винтове или болтове, което позволява лесен монтаж към базова повърхност.

  4. Поддържане на вал: Осигурява точна и стабилна опора за вала, минимизирайки отклоненията и вибрации по време на работа.

  5. Приложения: Използва се в различни машини и механични системи, включително CNC машини, принтери, транспортни системи и др.

Тази опора е важен елемент за осигуряване на прецизност и стабилност в движението на вала, което е от съществено значение за правилната работа на машините и системите, в които се използва.

Вижте също и:

Коментари (0)
Все още няма отзиви от клиенти.