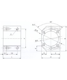
Легло за гайка 16 - EXNS16

Модел – EXNS16

D – 28

B – 52

H – 40

h – 20

E – 12

– 40

C1 – 8

C2 – 24

– 40

X – M5

W – 38

Y – M5

Тегло - 0.140 кг

7,80 лв. бр. / 3,99 €
С вкл. данък

Леглото за SFU гайка играе ключова роля в механичните системи за движение, като CNC машини и 3D принтери. То осигурява стабилност и прецизност при движението на гайката и вала.

Характеристики:

1. Твърдост и устойчивост:

- Твърдост: Изработени с висока твърдост, за да издържат на значителни натоварвания и напрежения.

- Устойчивост на корозия: С анодизирано покритие, което осигурява допълнителна защита срещу корозия и износване.

2. Прецизност:

- Изработка: Прецизно обработени с CNC машини за гарантиране на точността на размерите и позиционирането на отворите.

- Толеранси: Строги толеранси за минимални отклонения при движение.

3. Инсталация и поддръжка:

- Лесен монтаж: Лесен за инсталация и демонтаж, често с помощта на стандартни инструменти.

- Поддръжка: Минимална поддръжка благодарение на висококачествени материали и прецизна изработка.

Технически данни:

- Материал: Алуминий 6061-T6.

- Повърхностна обработка: Анодизиране за алуминий

- Диаметър на отвора за гайката: Съобразен с размера на SFU гайката

- Толеранси: Толерансите обикновено са в рамките на ±0.01 мм за критични размери.

Леглата за SFU гайки са незаменими за всяка система, където е необходима висока прецизност и надеждност в линейното движение.

Вижте също и:

Коментари (0)
Все още няма отзиви от клиенти.